Zum Inhalt springen Zum Navigationsmenü springen


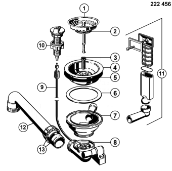
Ablaufgarnitur 1 x 3,5'' Sieb mit Ablauffernbedienung Überlauf rechteckig (ersetzt durch 224034)
Artikelnummer 222456
nicht mehr lieferbar seit 06/2010
1 125555 10/2009 Siebkörbchen 3,5" Exzenter Ø= 82 mm (24 Schlitze) VI

Ersatzteile
2 117497 10/2009 Dichtung für Siebkörbchen Ø=52 mm Silikon (verbesserte Ausführung) VI
3 125572 10/2009 Hohlschraube M12x1,5 Länge = 28 mm VI
125718 10/2009 Hohlschraubenschlüssel Ventilkelch Edelstahl
4 125568 10/2009 Ventilkelch für Hohlschraube 3,5" Edelstahl VI
5 125570 10/2009 Dichtung Ventilkelch 111,5 x 85 x 1 VI
6 125661 10/2009 Dichtung Ablaufventil 105 x 90 x 4 VI
7 116313 10/2009 Ventiloberteil 3,5" mit Überlauf 30 mm VI, weiß
8 117516 10/2009 Ventilunterteil M12 mit Bowdenzug VI, weiß
9 128628 10/2009 Bowdenzug 600 mm lang mit Mutter VI
10 119293 10/2009 Drehbetätigung Edelstahl rund BL (EB)
118321 10/2009 Drehbetätigung Edelstahl komplett (ersetzt durch 119293) BL
217830 10/2009 Drehbetätigung Edelstahl komplett grau (ersetzt durch 118321) VI
11 117518 10/2009 Überlauf rechteckig steckbar komplett VI
12 116333 10/2009 Ablaufwinkel zum Siphon Ø 40 mm, Länge: 55 x 245 mm AL
13 125669 10/2009 Überwurfmutter mit Dichtung Ø=40 mm VI
100 515399 09/2011 BLANCO SensorControl-BSC Sensorgesteuerte Ablauffernbedienung

Ersatzteile
515400 10/2009 BLANCO SensorControl-BSC (ersetzt durch 515399)

Ersatzteile

Herstellerinformationen nach der Produktsicherheitsverordnung (GPSR)

BLANCO GmbH + Co KG
Flehinger Straße 59
75038 Oberderdingen
Deutschland
E-Mail: info@blanco.de