Ablaufgarnitur 1 x 3,5'' Sieb mit Ablauffernbedienung Überlauf rechteckig/horizontal
Artikelnummer
222521
Ihrem Warenkorb hinzugefügt
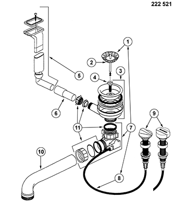
| 1 | 119146 | 11/2007 |
Siebkörbchen 3,5" Exzenter universal (18 Schlitze) AL Ersatzteile |
||
| 2 | 116116 | 11/2007 |
Dichtung Siebkörbchen 3,5" Ø=51 mm ab 10/2006 AL |
||
| 3 | 120665 | 11/2007 |
Ventil 3,5" mit Überlauf G 1/2" AL, weiß |
||
| 4 | 119741 | 11/2007 |
Hohlschraube G1/4" Länge = 35 mm AL |
||
| 125718 | 11/2007 |
Hohlschraubenschlüssel Ventilkelch Edelstahl |
|||
| 5 | 119895 | 11/2007 |
Überlaufset Tropfteil eckig horizontal gebogen AL |
||
| 6 | 125614 | 11/2007 |
Verlängerungsrohr Überlauf Ø 30 mm, Länge: 130 mm AL |
||
| 7 | 118979 | 11/2007 |
Nachrüstset 3,5" mit Bowdenzug standard Gewinde 1,5 "(z.B. für PANOR) (ohne Zugknopf) AL Ersatzteile |
||
| 8 | 139373 | 11/2007 |
Bowdenzug 700 mm lang AL |
||
| 9 | 119293 | 11/2007 |
Drehbetätigung Edelstahl rund BL (EB) |
||
| 10 | 116333 | 11/2007 |
Ablaufwinkel zum Siphon Ø 40 mm, Länge: 55 x 245 mm AL |
||
| 11 | 120676 | 11/2007 |
Dichtungsset Ø= 30/40 AL |
||
| 100 | 515399 | 11/2007 |
BLANCO SensorControl-BSC Sensorgesteuerte Ablauffernbedienung Ersatzteile |
- 119515 Austausch Dichtung Siebkoerbchen
Handbücher
Herstellerinformationen nach der Produktsicherheitsverordnung (GPSR)
BLANCO GmbH + Co KG
Flehinger Straße 59
75038 Oberderdingen
Deutschland
E-Mail: info@blanco.de