Zum Inhalt springen Zum Navigationsmenü springen


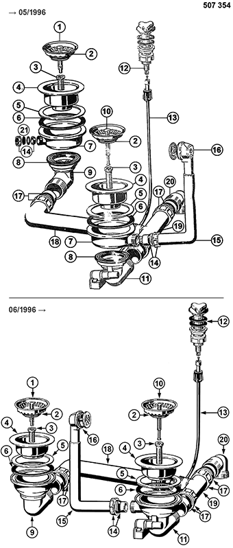
Ablaufgarnitur 1 x 3,5'' Sieb mit Ablauffernbedienung Drehknopf chrom und 1 x 3,5'' Sieb ohne Ablauffernbedienung Überlauf rund (ersetzt durch 138079 oder 137843)
Artikelnummer 507354
nicht mehr lieferbar seit 07/1998
1 125561 06/1996 Siebkörbchen 3,5" Zapfen Ø= 82 mm (24 Schlitze) VI

Ersatzteile
901991 01/1991 Siebkörbchen 3,5" Zapfen Ø= 80 mm komplett (16 Schlitze) VI

Ersatzteile
2 117497 06/1996 Dichtung für Siebkörbchen Ø=52 mm Silikon (verbesserte Ausführung) VI
125556 06/1996 Scheibe mit Dichtung Ø= 53 mm (ersetzt durch 117497) VI
117498 01/1991 Dichtung für Siebkörbchen Ø = 35 / 42 mm Silikon (verbesserte Ausführung) VI
901992 01/1991 Dichtung für Siebkörbchen (ersetzt durch 117498)
3 125572 06/1996 Hohlschraube M12x1,5 Länge = 28 mm VI
901995 01/1991 Hohlschraube M12x1,5 Länge = 43 mm VI
125718 01/1991 Hohlschraubenschlüssel Ventilkelch Edelstahl
4 125568 06/1996 Ventilkelch für Hohlschraube 3,5" Edelstahl VI
125659 01/1991 Ventilkelch für Hohlschraube 3,5" Edelstahl VI
5 125570 01/1991 Dichtung Ventilkelch 111,5 x 85 x 1 VI
6 125661 06/1996 Dichtung Ablaufventil 105 x 90 x 4 VI
125571 01/1991 Dichtung Ablaufventil 108 x 84 x 3 VI
7 128362 01/1991 Ventiloberteil mit Überlauf bis 06/1996 VI, weiß
8 125638 01/1991 Dichtung Ablaufventil 58 x 80 x 10 VI
9 128642 06/1996 Ablaufventil für Hohlschraube ohne Überlauf VI, weiß
127793 01/1991 Ventilwinkel 1,5" VI, weiß
10 125555 06/1996 Siebkörbchen 3,5" Exzenter Ø= 82 mm (24 Schlitze) VI

Ersatzteile
901990 01/1991 Siebkörbchen 3,5" Exzenter Ø= 80 mm komplett (16 Schlitze) VI

Ersatzteile
11 125573 06/1996 Ablaufventil 3,5" mit Überlauf + Bowdenzug, weiß
125642 01/1991 90-Grad-Bogen mit Bowdenzug 600 VI, weiß
12 119293 01/1991 Drehbetätigung Edelstahl rund BL (EB)
118321 01/1991 Drehbetätigung Edelstahl komplett (ersetzt durch 119293) BL
217830 01/1991 Drehbetätigung Edelstahl komplett grau (ersetzt durch 118321) VI
137415 01/1991 Drehbetätigung Knopf Edelstahl (ersetzt durch 217830) VI
13 128628 01/1991 Bowdenzug 600 mm lang mit Mutter VI
901983 01/1991 Bowdenzug Länge= 530 mm (ersetzt durch 128628)
14 125668 01/1991 Überwurfmutter mit Dichtung Ø=25 mm VI
15 125666 01/1991 Winkelrohr Überlauf Ø 25 mm, Länge: 150 x 220 mm VI
16 125351 01/1991 Überlauf rund komplett mit Ablaufrohr VI
17 125669 01/1991 Überwurfmutter mit Dichtung Ø=40 mm VI
18 116729 01/1991 L-Verbindung ohne Gewinde Ø 40 mm, Länge: 90 x 340 mm VI
116744 01/1991 L-Verbindung Ø 40 mm, Länge: 90 x 240 mm (ersetzt durch 116729)
19 139232 01/1991 T-Stück 11/2 x 40 x 160 mm VI
20 118823 01/1991 Ablaufwinkel zum Siphon Ø 40 mm, Länge: 42 x 70 mm EB
125670 01/1991 Ablaufwinkel zum Siphon 1,5" Ø=40 mm, Länge: 70 mm (ersetzt durch 118823) VI
21 125641 01/1991 Verschlussscheibe für Überlauf Ø=25 mm VI

Herstellerinformationen nach der Produktsicherheitsverordnung (GPSR)

BLANCO GmbH + Co KG
Flehinger Straße 59
75038 Oberderdingen
Deutschland
E-Mail: info@blanco.de