Zum Inhalt springen Zum Navigationsmenü springen


Ablaufgarnitur 2 x 3,5'' Sieb ohne Ablauffernbedienung Überlauf rechteckig
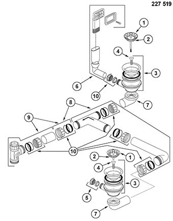
Artikelnummer 227519

1 125590 08/2011 Siebkörbchen Standard 3,5" Zapfen (18 Schlitze) AL

Ersatzteile
2 116116 08/2011 Dichtung Siebkörbchen 3,5" Ø=51 mm ab 10/2006 AL
3 120666 08/2011 Ventil 3,5" steckbar AL, weiß
4 119741 08/2011 Hohlschraube G1/4" Länge = 35 mm AL
125718 08/2011 Hohlschraubenschlüssel Ventilkelch Edelstahl
5 116355 08/2011 Verschlussmutter mit Dichtung für Überlauf AL
6 119672 08/2011 Überlaufset eckig-oval Kugel AL
7 120667 08/2011 Ventilunterteil steckbar manuell AL, weiß
8 225088 08/2011 Beckenverbindung 2 x 3,5"
9 225616 08/2011 Belüftungsventil Ø 40 mm, Länge: 107 x 261-275 mm
10 120676 08/2011 Dichtungsset Ø= 30/40 AL
99 118981 08/2011 Nachrüstset steckbar mit Bowdenzug Standard Sieb (ohne Zugknopf) AL

Ersatzteile
119293 08/2011 Drehbetätigung Edelstahl rund BL (EB)
225112 08/2011 Zug-Ablauffernbedienung rund chrom Kunststoff
221339 08/2011 Zug-Ablauffernbedienung rund chrom (Metall)

Ersatzteile
221336 08/2011 Zug-Ablauffernbedienung rund Messing Edelstahl finish

Ersatzteile
226540 08/2011 Zug-Ablauffernbedienung rund Edelstahl gebürstet (Metall)
222115 08/2011 Zug-Ablauffernbedienung rund Edelstahl seidenglanz

Ersatzteile
222118 08/2011 Zug-Ablauffernbedienung rund Edelstahl seidenmatt

Ersatzteile
221901 08/2011 Zug-Ablauffernbedienung LEVOS verchromt

Ersatzteile
221940 08/2011 Zug-Ablauffernbedienung LEVOS Edelstahl seidenglanz

Ersatzteile
221941 08/2011 Zug-Ablauffernbedienung LEVOS Edelstahl seidenmatt

Ersatzteile
221902 08/2011 Zug-Ablauffernbedienung QUADRIS verchromt

Ersatzteile
221942 08/2011 Zug-Ablauffernbedienung QUADRIS Edelstahl seidenglanz

Ersatzteile
221943 08/2011 Zug-Ablauffernbedienung QUADRIS Edelstahl seidenmatt

Ersatzteile
521294 08/2011 Zug-Ablauffernbedienung LIVIA chrom

Ersatzteile
521295 08/2011 Zug-Ablauffernbedienung LIVIA Messing gebürstet

Ersatzteile
521296 08/2011 Zug-Ablauffernbedienung LIVIA mangan

Ersatzteile
100 515399 08/2011 BLANCO SensorControl-BSC Sensorgesteuerte Ablauffernbedienung

Ersatzteile

Herstellerinformationen nach der Produktsicherheitsverordnung (GPSR)

BLANCO GmbH + Co KG
Flehinger Straße 59
75038 Oberderdingen
Deutschland
E-Mail: info@blanco.de