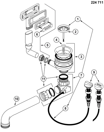
Fitting set 1 x 3.5" pop-up control C-overflow modify sieve
Article Number
224711
New turning unit (119293) since 01.12.2011!
Added to Your Shopping Cart
| 1 | 119145 | 10/2009 |
Basket strainer 3.5" RADIAL pop up (20 drain trenches) Spareparts |
||
| 2 | 116116 | 10/2009 |
Seal basket Ø35/42 mm silicone (improved) |
||
| 3 | 120665 | 10/2009 |
Valve 3.5" with overflow connection thread 1/2", white |
||
| 4 | 119741 | 10/2009 |
Hollow screw thread 1/4", length 35 mm |
||
| 125718 | 10/2009 |
Hollow screw key valve cup stainless steel |
|||
| 5 | 117553 | 10/2009 |
Overflow C-overflow rectangular length 84 mm (SILGRANIT sinks) |
||
| 6 | 117552 | 10/2009 |
Cover clip for Overflow rectangular |
||
| 7 | 118980 | 10/2009 |
Retrofit set 1.5'' eccentric with Bowden modified tamis thread 1,5" (without pull knob) AL Spareparts |
||
| 8 | 139373 | 10/2009 |
Bowden cable 700 mm long |
||
| 9 | 119293 | 10/2009 |
Pop-up turning unit stainless steel round |
||
| 10 | 116333 | 10/2009 |
Drain angle to siphon Ø 40 mm, length 55 x 245 mm |
||
| 11 | 120676 | 10/2009 |
Seal set and screws |
||
| 100 | 515399 | 10/2009 |
BLANCO SensorControl-BSC sensor-controlled remote drain control Spareparts |
Manufacturer information under the General Product Safety Regulation (GPRS)
BLANCO GmbH + Co KG
Flehinger Straße 59
75038 Oberderdingen
Germany
E-Mail: info@blanco.de