Skip to content Jump to the navigation menu


Fitting set 1 x 3.5" with pop-up control 2 x C-overflow angular modified sieve
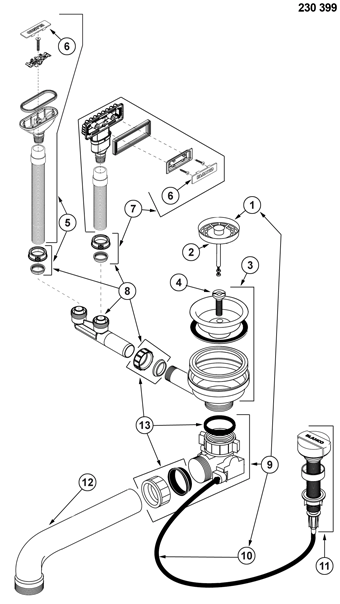
Article Number 230399

1 119145 10/2013 Pop-up Basket strainer 3.5" RADIAL universal (20 drainage slots) AL

Spareparts
2 116116 10/2013 Seal for basket strainer 3.5" Ø=51 mm since 10/2006 (modified) AL
3 120665 10/2013 Valve 3.5'' with overflow G 0.5'' AL, white
4 119741 10/2013 Hollow screw G 1/4'' length = 35 mm AL
125718 10/2013 Hollow screw tool valve goblet sheet stainless steel
5 120554 10/2013 Drainage set C-overflow for drainboard rectangular 59.3 x 17.8
6 117552 10/2013 Cover clip for overflow rectangled AL
7 120556 10/2013 Overflow C-overflow rectangular 77 x 29,8 AL
8 121124 10/2013 Set overflow connection 2-fold Ø 30 mm, length: 150 mm AL
9 118980 10/2013 Retrofit set 1.5'' eccentric with Bowden modified tamis thread 1,5" (without pull knob) AL

Spareparts
10 139373 10/2013 Bowden cable 700 mm AL
11 119293 10/2013 Pop-up control stainless steel round BL (EB)
12 116333 10/2013 Drain angle to siphon Ø 40 mm, length: 55 x 245 mm AL
13 120676 10/2013 Seal set DN 30/40 AL
100 515399 10/2013 BLANCO SensorControl-BSC

Spareparts

Manufacturer information under the General Product Safety Regulation (GPRS)

BLANCO GmbH + Co KG
Flehinger Straße 59
75038 Oberderdingen
Germany
E-Mail: info@blanco.de