Fitting set 1 x 3.5" with pop-up control overflow rectangular/horizontal
Article Number
221404
New turning unit (119293) since 04.06.2012!
Added to Your Shopping Cart
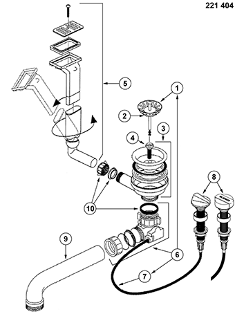
| 1 | 119146 | 10/2007 |
Pop-up Basket strainer 3.5" universal (18 drainage slots) AL Spareparts |
||
| 2 | 116116 | 10/2007 |
Seal for basket strainer 3.5" Ø=51 mm since 10/2006 (modified) AL |
||
| 3 | 120665 | 10/2007 |
Valve 3.5'' with overflow G 0.5'' AL, white |
||
| 4 | 119741 | 10/2007 |
Hollow screw G 1/4'' length = 35 mm AL |
||
| 125718 | 10/2007 |
Hollow screw tool valve goblet sheet stainless steel |
|||
| 5 | 119895 | 10/2007 |
Overflow set rectangular horizontal bend set AL |
||
| 6 | 118979 | 10/2007 |
Retrofit set 3,5'' eccentric with Bowden standard thread 1,5" (e.g. for PANOR) (without pull knob) AL Spareparts |
||
| 7 | 139373 | 10/2007 |
Bowden cable 700 mm AL |
||
| 8 | 119293 | 10/2007 |
Pop-up control stainless steel round BL (EB) |
||
| 9 | 116333 | 10/2007 |
Drain angle to siphon Ø 40 mm, length: 55 x 245 mm AL |
||
| 10 | 120676 | 10/2007 |
Seal set DN 30/40 AL |
||
| 100 | 515399 | 10/2007 |
BLANCO SensorControl-BSC Spareparts |
Manufacturer information under the General Product Safety Regulation (GPRS)
BLANCO GmbH + Co KG
Flehinger Straße 59
75038 Oberderdingen
Germany
E-Mail: info@blanco.de