Skip to content Jump to the navigation menu


Fitting set 3.5" pop-up control + 1.5" manual CRON 6 S (replaced by 223288)
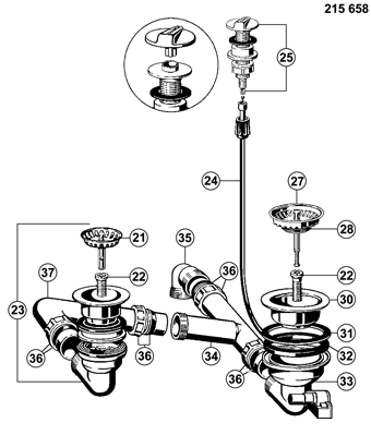
Article Number 215658
no longer available since 06/2009
21 125567 05/2002 Basket strainer 1.5" pin, no seal (18 drainage slots) VI
22 125572 05/2002 Hollow screw M12 x 1.5 length = 28 mm VI
125718 05/2002 Hollow screw tool valve goblet sheet stainless steel
23 139201 05/2002 Valve 1.5" for hollow screw complete Viega, white
24 128628 05/2002 Bowden cable 600 mm with nut VI
25 119293 05/2002 Pop-up control stainless steel round BL (EB)
118321 03/2005 Pop-up turning unit stainless steel complete (replaced by 119293) EB
217830 03/2005 Pop-up turning unit stainless steel complete grey (replaced by 118321 VI
138077 05/2002 Handle turning unit (replaced by 217830)
27 125555 05/2002 Basket strainer 3.5" pop-up Ø=82 mm (24 drainage slots) VI

Spareparts
28 117497 05/2008 Seal for basket strainer Ø = 52 mm silicon (revised version) VI
125556 05/2002 Disc with seal Ø=53mm (replaced by 117497) VI
30 125568 05/2002 Valve goblet hollow screw 3.5" stainless steel VI
31 125570 05/2002 Seal valve goblet 111.5 x 85 x 1 VI
32 125661 05/2002 Seal drain valve 105 x 90 x 4 VI
33 125573 05/2002 Drain valve 3.5" with overflow +bowden cable, white
125641 05/2002 Sealing washer for overflow d=25 mm VI
127766 05/2002 Drain valve with bowden cable 600 VI (replaced by 125573 and 125641), white
34 125671 05/2002 T-piece Ø=40 mm x 230 mm complete VI
35 118823 05/2002 Drain angle to siphon Ø 40 mm, length: 42 x 70 mm EB
125670 05/2002 Drain angle to siphon 1,5" Ø 40 mm length: 70 mm (replaced by 118823 )VI
36 125669 05/2002 Cap nut with seal Ø=40 mm VI
37 116729 05/2002 L-connection without thread Ø 40 mm, length: 90 x 340 mm VI

Manufacturer information under the General Product Safety Regulation (GPRS)

BLANCO GmbH + Co KG
Flehinger Straße 59
75038 Oberderdingen
Germany
E-Mail: info@blanco.de