Fitting set 3.5" pop-up control CLASSIC 45 S SILGRANIT
Article Number
138016
no longer available since 12/2000
Added to Your Shopping Cart
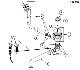
| 1 | 119146 | 01/1997 |
Basket strainer 3.5" pop up (18 drain trenches) Spareparts |
||
| 2 | 116116 | 01/1997 |
Seal basket Ø35/42 mm silicone (improved) |
||
| 3 | 120665 | 01/1997 |
Valve 3.5" with overflow connection thread 1/2", white |
||
| 4 | 119741 | 01/1997 |
Hollow screw thread 1/4", length 35 mm |
||
| 125718 | 01/1997 |
Hollow screw key valve cup stainless steel |
|||
| 5 | 120664 | 01/1997 |
Overflow set rectangular bent |
||
| 6 | 125614 | 01/1997 |
Extension pipe overflow Ø 30 mm, length 130 mm |
||
| 7 | 120338 | 01/1997 |
Bowden cable 700 mm long with rotary operation and connector angle |
||
| 8 | 116333 | 01/1997 |
Drain angle to siphon Ø 40 mm, length 55 x 245 mm |
||
| 9 | 120676 | 01/1997 |
Seal set and screws |
||
| 100 | 515399 | 01/1997 |
BLANCO SensorControl-BSC sensor-controlled remote drain control Spareparts |
Manufacturer information under the General Product Safety Regulation (GPRS)
BLANCO GmbH + Co KG
Flehinger Straße 59
75038 Oberderdingen
Germany
E-Mail: info@blanco.de