Skip to content Jump to the navigation menu


Fitting set 3.5" pop-up control turning handle white (replaced by 137965)
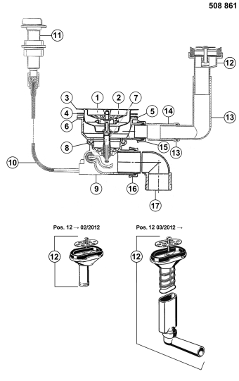
Article Number 508861
no longer available since 01/2003
1 901990 01/1993 Basket strainer 3.5" pop-up Ø= 80 mm complete (16 drainage slots) VI

Spareparts
2 117498 01/1993 Seal for basket strainer Ø = 35 / 42 mm silicon (revised version) VI
901992 01/1993 Seal for basket strainer (replaced by 117498)
3 125659 01/1993 Valve goblet for hollow screw 3.5" stainless steel VI
4 125570 01/1993 Seal valve goblet 111.5 x 85 x 1 VI
5 125571 01/1993 Seal drain valve 108 x 84 x 3 VI
6 128362 01/1993 Valve top with overflow until 6/96 VI, white
7 901995 01/1993 Hollow screw M12x1,5 length = 43 mm VI
125718 01/1993 Hollow screw tool valve goblet sheet stainless steel
8 125638 01/1993 Seal drain valve 58 x 80 x 10 VI
9 125642 01/1993 90-degree-bow with bowden cable 600 VI, white
10 128628 01/1993 Bowden cable 600 mm with nut VI
901983 01/1993 Bowden cable length = 530 mm (replaced by 128628)
11 119293 01/1993 Pop-up control stainless steel round BL (EB)
137416 01/1993 Pop-up turning unit head white VI (replaced by 119293)
12 117519 02/2012 Overflow oval long pluggable complete VI
125643 01/1993 Overflow oval V-form (replaced by 117519) VI
13 137216 01/1993 Overflow bow Ø 25 mm, length: 150 mm und Ø 32 mm, length: 250 mm Miele
14 125552 01/1993 Extension pipe for overflow bow Ø 25 mm, length: 90 mm
15 125668 01/1993 Cap nut Ø=25 mm with seal VI
16 125669 01/1993 Cap nut with seal Ø=40 mm VI
17 139202 01/1993 Drain angle to siphon Ø 40 mm, length: 50 x 245 mm VI

Manufacturer information under the General Product Safety Regulation (GPRS)

BLANCO GmbH + Co KG
Flehinger Straße 59
75038 Oberderdingen
Germany
E-Mail: info@blanco.de